發布日期:2022-03-18 瀏覽:1012 次
試驗目的
空載損耗主要是指鐵芯因交變磁化所引起的磁滯損耗和渦流損耗(總稱鐵損),其次還有空載附加損耗和空載電流流過繞組時產生的損耗,后兩項所占比重較小,可以忽略。因為鐵芯質量差、片間絕緣不良、部分硅鋼片短路等原因,要引起空載損耗增加。另外,繞組匝間短路,并聯支路間短路、并聯支路匝數不等而在繞組中產生的環流損耗也要引起空載損耗增大。通過測量空載電流和空載損耗,分析它們的變化規律,就可以發現磁路中的局部或整體缺陷,也可以檢驗繞組是否有匝間短路等各種缺陷,比如:鐵芯的磁阻過大、鐵芯疊片不整齊、硅鋼片間短路等。
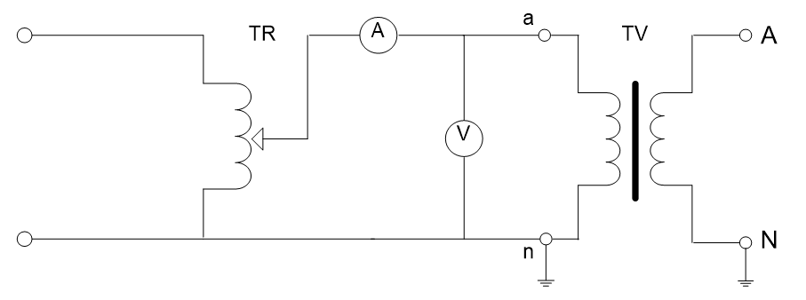
試驗接線

試驗步驟
(1)非被試各二次繞組n端單端接地,一次繞組X端單端接地;
(2)將調壓器的電壓輸出端接至某個二次繞組(應盡量選擇二次容量大的二次繞組),在此接入測量用電壓表電流表。對于220kV互感器,若在1a-1n加壓則應讀取11.5V、28.9V、46.2V、57.7V、69.3V、86.6V的測試值;若在da-dn加壓則應讀取20V、50V、80V、100V、120V、150V的測試值;
(3)接線完畢,查線無誤后接通試驗電源、開機;
(4)參數設備:應設置的試驗可能輸出的最高電壓和最大電流,使測試發生異常時,輸出電壓或輸出電流任意一項達到設定值均停止試驗;升壓器設為內置,工作人員做好記錄準備;
(5)緩慢升壓,當電壓升至需要測量值(按4.2中所示電壓),讀出并記錄電壓、電流值;
(6)測量完畢,降壓,關機并斷開電源刀閘;
(7)對被試互感器高壓端接地放電,根據各測量點電壓和電流繪制出勵磁特性曲線。
試驗標準
《電氣裝置安裝工程電氣設備交接試驗標準》GB 50150-2006中規定:對于額定電壓測量點(100%),勵磁電流不宜大于其出廠試驗報告和型式試驗報告的測量值的30%,同批同型號、同規格電壓互感器此點的勵磁電流不宜相差30%;
《國家電網公司輸變電設備狀態檢修規程2008》規定:對互感器對核心部件或主體進行解體性檢修之后,或計量要求時,進行勵磁特性試驗。試驗時,電壓施加在二次端子上,電壓波形為標準正弦波。測量點至少包括額定電壓的0.2、0.5、0.8、1.0、1.2倍,測量出對應的勵磁電流,與出廠值相比應無顯著改變;與同一批次、同一型號的其它電磁式電壓互感器相比,彼此差異不應大于30%。
感應耐壓前后均應進行此項試驗。在額定電壓下的空載電流與出廠值比較,應無明顯差異,在高限電壓1.5Um/√3下,空載電流不應大于最大允許電流。多倍頻感應耐壓測試儀前后空載電流不應有明顯差異。
試驗注意事項
(1)用于勵磁曲線測量的儀表為方均根值表,若發生測量結果與出廠試驗報告和型式試驗報告有較大出入(>30%)時,應核對使用的儀表種類是否正確;
(2)空載及伏安特性試驗應選用滿足測試電流要求的試驗導線,以免影響試驗結果;
(3)升至每個電壓點時,電壓和電流的讀取應同時,防止因電壓波動造成誤差增大;
(4)加壓時,連續緩慢升壓,不應測試高電壓點后再返回測試低電壓點。
試驗周期
對核心部件或主體進行解體性檢修之后或計量要求時進行本項目。
優力克電力是電力試驗設備的生產廠家,我們的產品全程提供專業的技術服務。

本公司生產全面貫徹 ISO9001:2015 質量管理體系認證證書及文字商標和圖片商標注冊

本公司與武漢各大高校和武漢高壓研究所有著緊密合同關系,有著明細的技術優勢和穩定技術方案

公司具有專業的銷售和技術支持團隊隨時了解和客戶溝通產品的應用情況,提供一對一高效專業的服務

產品全部執行ISO9001質量管理體系,SMT自動化的生產,半成品檢測,成品檢測拷機,讓每一個產品都經過5次以上的100%測試,確保產品質量100%

公司具有精準的預期備貨和保持穩定的安全庫存,滿足客戶的緊急需求和批量性采購需求

公司產品每年抽樣送第三方檢驗(如湖北省技術監督局、武漢市計量院),符合出廠標準和第三方檢測指標要求